PP Valsir PP3 Plug-in Waste Water Connection 87-degree 30' D32/32mm VS0508005
Waste Water Connection 87-degree 30' for Valsir PP Polypropylene PP3 plug-in soundproof drainpipes with the following characteristics:
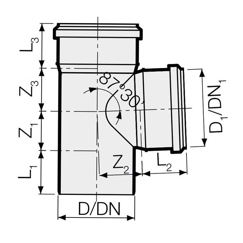
- Diameter 1: 32 mm
- Diameter 2: 32 mm
- Rated diameter 1: 30 mm
- Rated diameter 2: 30 mm
- Dimensions: 23x18x25x37x50x50 (Z1-Z2-Z3-L1-L2-L3)
- Weight: 37 grams
Valsir PP3 is the drainage system consisting of pipes, fittings and accessories for the construction of drainage and pluvial drainage systems.
PP3 is the drainage system consisting of triple-layer pipes, fittings and accessories for the construction of drainage, ventilation and pluvial drainage systems. And a system characterized by extreme lightness and speed of installation; thanks to its acoustic performance of 17 dB(A) at a flow rate of 2 liters/second, it is the ideal solution for residential buildings where, for example, drain pipes are laid inside the concrete casting and also used for the ventilation network.
Valsir PP3 is an extremely lightweight system and, thanks to the plug-in socket with a hydraulic seal, is the simplest solution for the construction of drainage systems.
Valsir PP3 is manufactured in accordance with EN 1451 standards and can be used for low- and high-temperature drainage systems, drainage network ventilation systems and for downspouts inside civil and industrial buildings, hospitals and hotels.
The wide range of pipes, fittings and accessories makes it possible to realize the entire drainage network, from sanitary appliance branches, to risers, to the drainage manifold.
Advantages:
- Smooth, white-colored inner surface to simplify any video inspection operations
- High resistance to corrosion and abrasion
- High impact resistance at extremely cold temperatures below 0°C
- High chemical resistance to dissolved substances in civil and industrial drains
- Wide range of diameters from 32 mm to 160 mm
- Wide range of interconnection fittings with other drainage systems such as cast iron, PE, PP, PVC
Data sheet
- Diameter: 32mm
- Type: Plug-in Waste Water Connections
- Model: Soundproofing
: 121

