Manicotto filettato Oter in acciaio per tubi M/F 1/2 x 15 mm 52911
OTR 52911
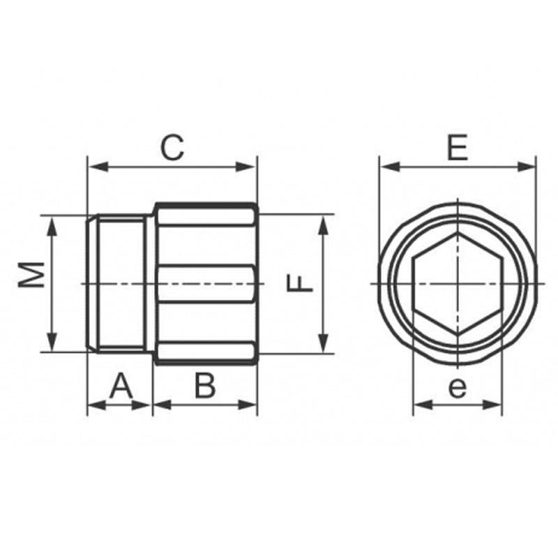
Manicotto filettato Oter in acciaio per tubi con le seguenti caratteristiche:
- Attacco: Maschio/Femmina
- Raccordi: 1/2
- Materiale: Acciaio zincato
- Dimensioni: 15x26,5x24x12 (B-C-E-e)
Manicotto filettato in acciaio adatto per il collegamento di due tubi.
0,37 €
0,37 €
Articoli disponibili: 3518
0,37 €
Acquistalo entro e ricevilo da Martedì, 24 Febbraio
Paga in 3 rate senza interessi per ordini da 30€ a 2000€
Per ordini tra i 120€ e i 5.000€ puoi pagare fino a 24 rate con
Caratteristiche:
- Materiale: acciaio C4C EN 10263
- Filettatura UNI - ISO 228/1 CL.B
- Zincatura elettrolitica UNI ISO 2081:2018a. 6 ÷ 9 µm
- Conforme alla normativa ROHS2 2011/65/UE e al trasporto di acqua potabile secondo DM 174 06-04-04
Scheda tecnica
- Tipologia: Manicotti
- Attacco: M/F
- Modello: Filettati
- Raccordi: 1/2 pollici
- Materiali: Acciaio
: 1952

