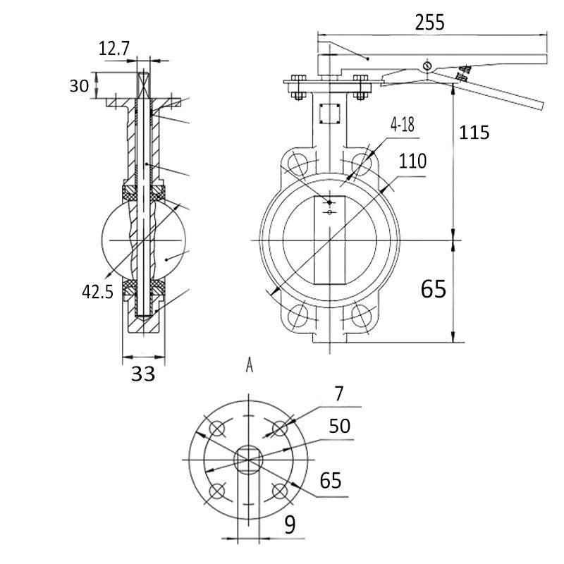
Valvola a farfalla Wafer BF Control PN16 40 mm 1 1/2 ghisa BW2516EPDM0040
Valvola a farfalla Wafer BF Control, adatta per impianti HVAC, trattamento acque e applicazioni industriali, con le seguenti caratteristiche:
-
Pressione di esercizio: PN16
-
Diametro nominale: 40 mm (1 pollice 1/2)
-
Tenuta in: Elastomero EPDM, resistente fino a 110 gradi
-
Corpo Wafer: Ghisa sferoidale con rivestimento epossidico
-
Compatibile con: Attuatori ISO 5211
Paga in 3 rate senza interessi per ordini da 30€ a 2000€
Valvola a farfalla Wafer: affidabilità e resistenza per impianti complessi
La valvola a farfalla è progettata per garantire un'efficace intercettazione e regolazione della portata in numerosi contesti applicativi. Realizzata secondo gli standard internazionali EN 593 e EN 1074, offre prestazioni elevate in termini di sicurezza, durata e facilità d'installazione.
Costruzione robusta e rivestimento anticorrosione
Il corpo in ghisa sferoidale, abbinato al rivestimento in polvere epossidica blu, assicura una protezione ottimale contro la corrosione anche in ambienti aggressivi. La flangia superiore ISO 5211 permette il montaggio diretto di servocomandi elettrici o pneumatici, rendendo la valvola idonea anche per impieghi automatizzati.
Applicazioni versatili e prestazioni elevate
Ideale per impianti HVAC (riscaldamento e climatizzazione), reti idriche, impianti antincendio e applicazioni agricole o industriali. La tenuta in EPDM permette lìuso con acqua calda fino a 110 gradi. Non adatta per liquidi contenenti oli minerali, idrocarburi o agenti chimici aggressivi verso lìEPDM.
Caratteristiche Tecniche Valvola Wafer BF Control
| Tipologia | Valvola a farfalla con corpo Wafer |
|---|---|
| Diametro nominale | DN 40 mm (1 pollice 1/2) |
| Pressione di esercizio | PN16 |
| Temperatura di esercizio | da -10°C a +110°C |
| Tenuta | EPDM |
| Corpo | Ghisa sferoidale |
| Normative | EN 593, EN 1074-1/2, EN 558 |
| Flange compatibili | EN 1092-2 |
| Flangia superiore per attuatori | ISO 5211 |
| Rivestimento | Polvere epossidica blu |
Scheda tecnica
- Diametro: 40mm
- Tipologia: Valvole a farfalla
- Raccordi: 1-1/2 pollici
- Materiali: Ghisa
: 4

