Relè voltmetrico Lovato trifase per mancanza fase 1M 208/480V PMV10A440
LOV PMV10A440
8013975154656
Relè voltmetrico Lovato, per sistema trifase senza neutro, con le seguenti caratteristiche:
- Tensione ausiliaria (Us): Autoalimentato
- Descrizione: mancanza fase ed errata sequenza fasi
- 1 modulo
- Numero di relè: 1
- Segnalazione: 1 LED verde per accensione e intervento
- Campo di funzionamento tensione: 0.85...1.1 Ue
- Frequenza nominale Hz: 50/60 ±5%
- Potenza assorbita max: 20VA
- Potenza massima dissipata: 2.2W
- Tensione nominale da controllare UE: 208/408 Vac
- Tensione nominale di isolamento Ui: 480V
- Tensione nominale di tenuta ad impulso (Uimp): kV 6
- Tensione di tenuta alla frequenza di esercizio: kV 4
- Tempo di intervento: s 0.06
- Tempo di rispristino: s 0.5
- Isteresi al ripristino 5%
70,81 €
70,81 €
Articoli disponibili: 9
70,81 €
Acquistalo entro e ricevilo da Lunedì, 22 Dicembre
Pagabile anche in 3 rate senza interessi da:
23,60€
Per ordini tra i 120€ e i 5.000€ puoi pagare fino a 24 rate con
Altre caratteristiche tecniche:
- Intervento istantaneo per Ue: Tensione <70% Ue
- Tipo di ripristino: automatico
- Errore di ripetibilità: <±1%
- Tempo di intervento per mancanza fase: ms 60
- Configurazione contatti: 1 in scambio
- Tensione di funzionamento nominale AC (IEC): VAC 250
- Massima tensione di commutazione VAC: 400
- Corrente convenzionale termica in aria libera Ith IEC: 8A
- Designazione secondo UL/CSA e IEC/EN 60947-5-1: B300
- Durata elettrica (con carico nominale): cicli 100000
- Durata meccanica: cicli 3000000
- Attacchi: a vite
- Temperatura di impiego: -20/+60°C
- Temperatura di stoccaggio: -30/+80°C
- Materiale: Poliammide autoestinguente
- Montaggio: Guida DIN da 35 mm (IEC / EN 60715)
- Grado di protezione (IEC): IP40 frontale; IP20 sui terminali
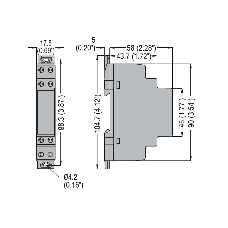
- Dimensioni in mm (L x A x P): 17.5 x 104.7 x 63
- Peso: 50 grammi
Scheda tecnica
- Tipologia: Rilevatori di tensione
- Grado di protezione: IP40
: 2

