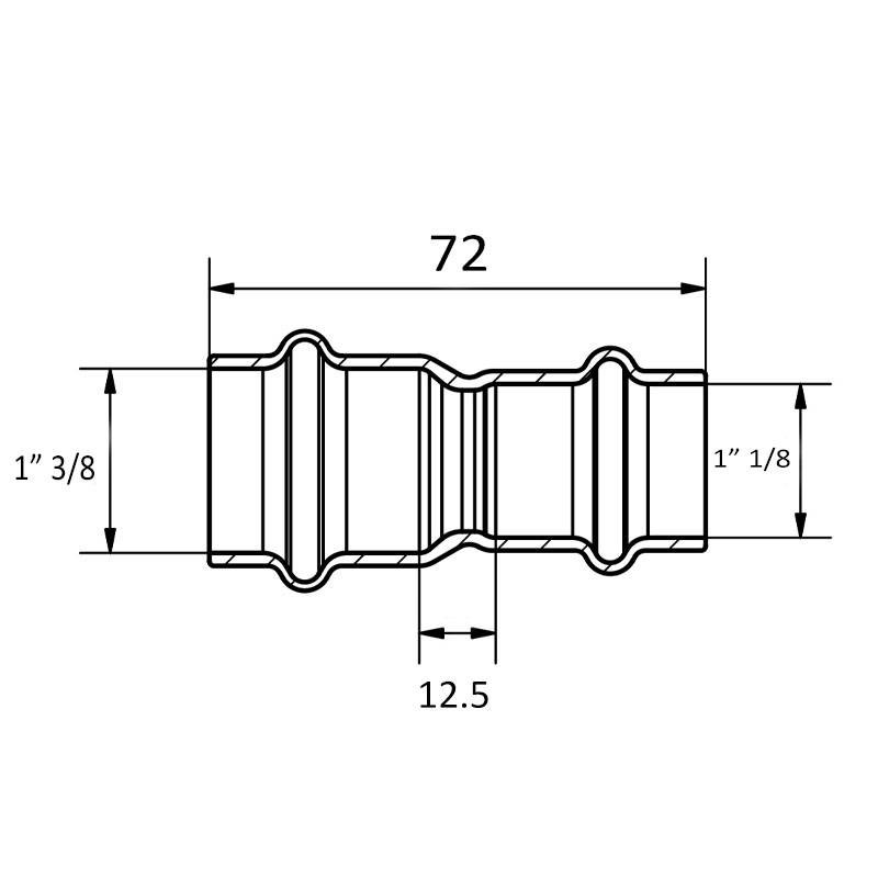
Manchon IBP pour climatisation F/F 1 3/8 x 1 1/8 cuivre MPA5240 0110901
Le manchon IBP est un raccord à sertir conçu pour les systèmes de climatisation et de réfrigération, assurant une connexion sûre et étanche. Fabriqué en cuivre de haute qualité, il résiste à une pression maximale de 700 psi et utilise un joint HNBR pour une fiabilité supérieure, avec les caractéristiques suivantes
-
Connexion : femelle/femelle
-
Dimensions : 1 pouce 3/8 x 1 pouce 1/8
-
Matériau: cuivre
-
Joint : joint torique HNBR
Payable également en 4 fois sans intérêt de:
10,78€
Manchon IBP 1 3/8 x 1 1/8 Sûr, durable et facile à installer
Connexion sûre et fiable
Le manchon IBP assure une étanchéité parfaite, sans fuites, grâce à la technologie du press-fit, ce qui élimine le besoin de soudure et réduit le temps d'installation.
Construction durable en cuivre
Fabriqué en cuivre de haute qualité, il offre une grande résistance à la corrosion et une longue durée de vie, garantissant des performances optimales dans les systèmes de climatisation.
Installation rapide sans soudure
Grâce à la technologie sans flamme, l'installation est plus rapide et plus sûre, idéale pour les nouvelles installations et la maintenance.
Applications et utilisations du Manchon en cuivre
-
Systèmes de climatisation et de réfrigération
-
Connexions sûres et durables dans la tuyauterie en cuivre
-
Installations rapides sans soudure
Fiche technique
- Typologie : Manches
- Attaque: F - F
- Modèle: Droits
- Raccords: 1 1/8 pouces
- Matériaux: Cuivre
1-3/8 pouces
: 2

