Racor roscado de acero galvanizado Oter M/M 1/2 x 3/8 24506
OTR 24506
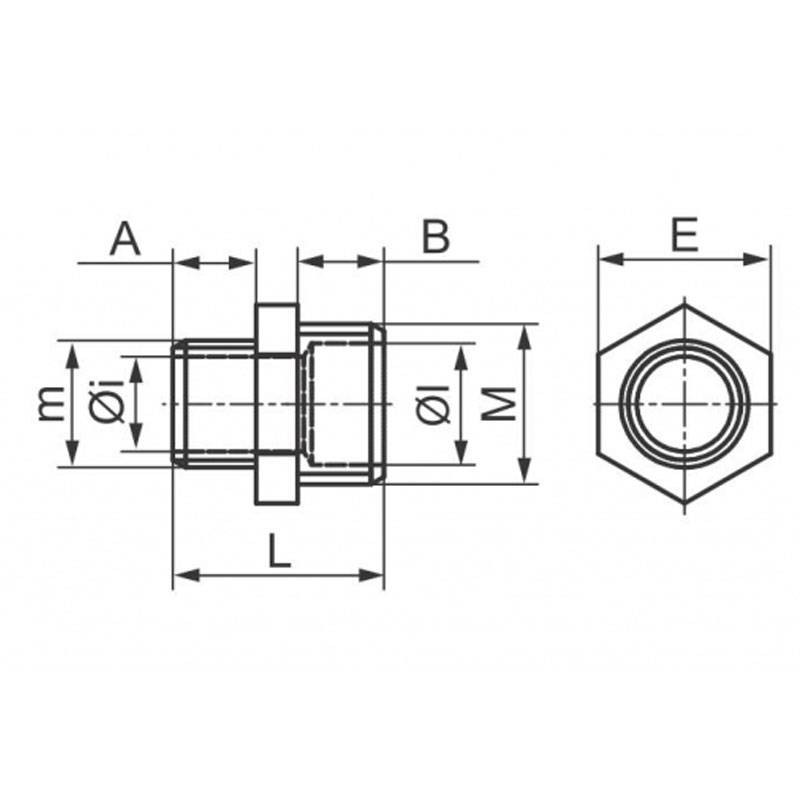
Conexión roscada para tubo Oter Reducción con tornillo con las siguientes características:
- Conexión: Macho/Macho
- Racores: 1/2 x 3/8
- Material: Acero zincado
- Diámetro interior ØI: 14 mm
- Diámetro interior Øi: 11 mm
- Dimensiones: 11x13,5x22x30 (A-B-E-L)
Racor de acero roscado adecuado para unir dos tubos.
0,57 €
0,57 €
Artículos disponibles: 1179
0,57 €
Compre dentro de y lo recibirá de Martes, 24 Febrero
Pague en 3 cuotas sin intereses por pedidos de 30€ a 2000€.
Características:
- Material: acero C4C EN 10263
- Roscado UNI - ISO 228/1 CL.B
- Galvanizado electrolítico UNI ISO 2081:2018 espesor 6 ÷ 9 µm
- Conforme a la directiva RoHS2 2011/65/UE y al transporte de agua potable según DM 174 06-04-04
Ficha técnica
- Tipo de: Accesorios
- Ataque: M/M
- Modelo: Rosca
- Conexiones: 1 1/2 pulgadas
- Materiales: Acero
3/8 pulgadas
: 188

