Casquillo de acero negro roscado Gebo 2 pulgadas x 150 mm 72.150.09S
Casquillo Tornillo de prolongación de acero negro roscado Gebo con las siguientes características:
- Racores: 2 pulgadas
- Material: tubo de acero según DIN EN 10255
- Rosca: según ISO 7/1
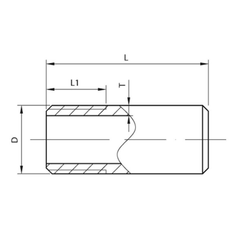
- Dimensiones: 60,3x3,6x150x23 (D-T-L-L1)
Pague en 3 cuotas sin intereses por pedidos de 30€ a 2000€.
Los racores roscados GEBO cumplen la norma UNI EN 10242, dibujo símbolo A, que especifica las características de los racores roscados de fundición maleable. Según lo prescrito por la citada norma, los racores roscados de fundición maleable GEBO son adecuados para el transporte de aire comprimido, agua, gases combustibles, hidrocarburos y otros, bajo los límites de presión y temperatura especificados.
Aplicaciones:
- Temperatura mínima de servicio: 20 °C, 25 bar
- Presión de servicio para temperaturas entre 20 °C y 120 °C: 25 bar
- Presión de servicio para temperaturas entre 120 °C y 300 °C: 20 - 25 bar
Los racores roscados GEBO están fabricados en fundición maleable y diseñados según el símbolo de dibujo especificado en la norma EN 10242 como A, cuyo grado de calidad se conoce como EN-GJMB-350-10.
Esto implica que se obtienen los siguientes resultados en los ensayos mecánicos sobre muestras de 12 mm de diámetro:
- Resistencia a la tracción (valor mínimo) 350N/ mm2 (35 Kg/mm2)
- Límite elástico 0,2 % (valor mínimo) 200 N/mm2 (20 Kg/mm2)
- Alargamiento (valor mínimo) 10 % (valor mínimo)
- Dureza Brinell (valor máximo) 150 HB
Con el fin de garantizar que no existen defectos en el material que puedan provocar fugas, la estanqueidad de cada racor GEBO ha sido probada de acuerdo con los requisitos de la norma DIN EN 10242.
Galvanizado: Los racores roscados GEBO se galvanizan por inmersión en un baño de zinc fundido de acuerdo con la norma DIN EN 10242. La capa de zinc es superior a 500 g/m2, es decir, un espesor medio mínimo de 70 micras. El espesor de la capa de zinc y su adherencia a la superficie de base garantizan a nuestros accesorios de fundición maleable una perfecta protección contra la corrosión a lo largo del tiempo.
Limpieza y engrase: Para eliminar los residuos de virutas de hierro, aceite, corte y suciedad acumulados durante el proceso de mecanización, los herrajes GEBO se limpian y, por último, se dotan de protección anticorrosión.
Ficha técnica
- Tipo de: Bobina roscada
- Modelo: Rosca
- Conexiones: 2 pulgadas
- Materiales: Hierro fundido
: 17

