Fischer Aluminium Schiene CPN AL für Solarprofile 00514890
Fischer Aluminium Schiene CPN AL für die präzise Ausrichtung von zwei SolarFish- und SolarMid-Profilen, ideal für Photovoltaikanlagen, mit folgenden Eigenschaften
-
Hochwertiges Material: Aus Aluminium für Leichtigkeit, Robustheit und Korrosionsbeständigkeit
-
Positionierungshülse: Zentrales, geprägtes Element, das das korrekte Einsetzen in das Profil erleichtert
-
Universelle Kompatibilität: Kann mit den seitlichen Nuten der SolarFish- und SolarMid-Profile verwendet werden
-
Vielseitige Montage: Ideal für PV-Anlagen auf Schräg- und Flachdächern
-
Einfache Montage: Schnelle Befestigung mit selbstbohrenden Schrauben 3,5 mm x 9,5 mm
Fischer CPN AL Aluminium Schiene für Solarprofile
Hauptanwendungen
Der Fischer CPN AL ist ideal für:
-
Photovoltaikanlagen auf Schräg- oder Flachdächern
-
Ausrichten von Solarprofilen für modulare Unterkonstruktionen
Einfache und präzise Montage
-
Legen Sie eine CPN AL Schiene für jede Profilseiten-Nut bereit
-
Schieben Sie die Schiene, bis die mittlere Kerbe mit der Endkante des Profils in Kontakt kommt
-
Befestigen Sie die Schiene mit selbstbohrenden Schrauben 3,5 mm x 9,5 mm, je nach verwendetem Profiltyp
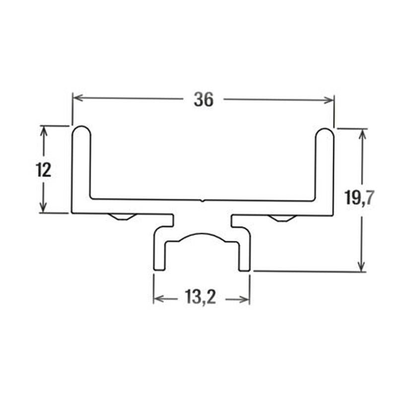
Technische Daten:
-
Werkstoff: Aluminium
-
Kompatibilität: SolarFish- und SolarMid-Profile
-
Länge: 183 mm
-
Befestigung: Selbstbohrende Schrauben 3,5 mm x 9,5 mm (nicht im Lieferumfang enthalten)
Technische Daten
- Art: Befestigungzubehör
: 278

