Oter Stahl-Gewindemuffe für Rohre A/I 3/8 x 10 mm 52902
OTR 52902
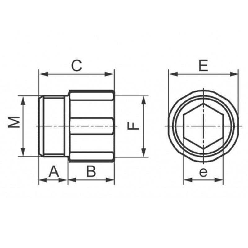
Oter Gewindemuffe aus Edelstahl für Rohre mit den folgenden Merkmalen:
- Anschluss: Außen-/Innengewinde
- Verschraubungen: 3/8
- Material: Verzinkter Stahl
- Abmessungen: 10x22x20x9 (B-C-E-e)
Gewindemuffe aus Stahl, geeignet für die Verbindung von zwei Rohren.
0,40 €
0,40 €
Verfügbare Artikel: 790
0,40 €
Bestellen Sie innerhalb und erhalten Sie es ab Dienstag, 24 Februar
Eigenschaften:
- Werkstoff: Stahl C4C EN 10263
- Gewindeschneiden UNI - ISO 228/1 CL.B
- Elektrolytische Verzinkung UNI ISO 2081:2018a. 6 ÷ 9 µm
- Konform mit ROHS2 2011/65/EU und Trinkwassertransport gemäß DM 174 06-04-04
Technische Daten
- Art: Wasserleitung Muffen
- Anschluss: Außengewinde/Innengewinde
- Modell: Gewinde
- Anschlüsse: 3/8 Zoll
- Werkstoff: Stahl
: 57

